Menü

Zubehör

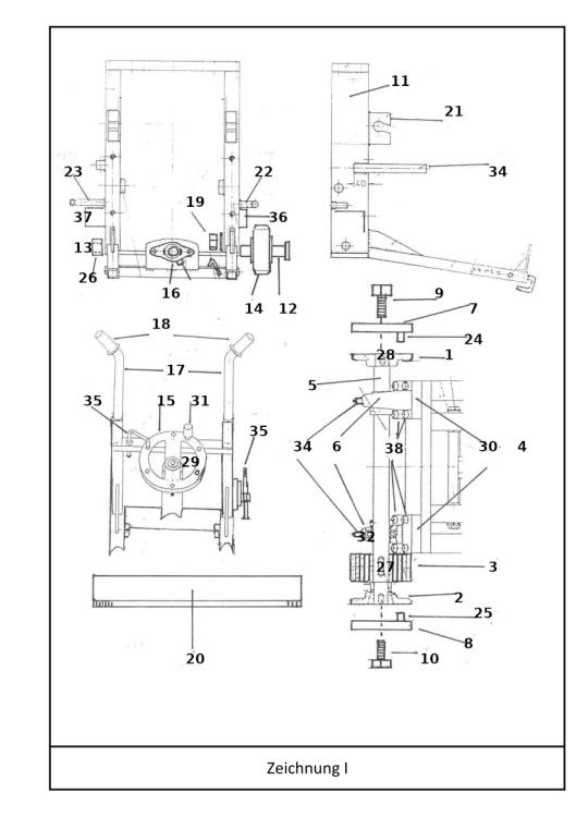
Ersatzteil - Demin FS800E - Schneidwelle

188,60 €

284,05 €

158,49 € zzgl. MwSt.

1 St

(188,60 / 1St)
2-4 Werktage
Produktsicherheit
Sicherheitskontakte & Bilder