Menü

Zubehör

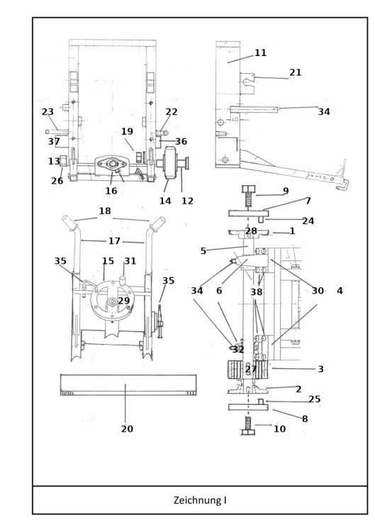
Ersatzteil - Demin - Passfeder für Riemenrad 8x40

0,96 €

1,61 €

0,81 € zzgl. MwSt.

1 St

(0,96 / 1St)
2-4 Werktage
Produktsicherheit
Sicherheitskontakte & Bilder